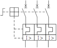
A 適用於3ψ3W 220VAC之電源系統
B 具有三相同時投入與切離之手動裝置
C 當二次側短路時,自動跳脫
D 當二次側負載電流大於25A時,自動跳脫

A 當過載旋鈕切於4A 時,若負載電流大於40A,則該斷路器做過載跳脫
B 該斷路器具有過載及短路跳脫功能
C 當短路電流大於25KA 時,該斷路器無跳脫功能
D 該斷路器二次側不必加裝過載保護電驛該斷路器二次側不必加裝過載保護電驛

本網站提供的試題,僅供自我練習,並不保証完全正確。試題如有疏漏、錯誤,請E-mail告訴我們,我們會儘快更正。
不怕辛苦的,苦一陣子;怕辛苦的,苦一輩子
I'm all yours.(都聽你的。)